设为首页  |  加入收藏  |  E-mail
 
产品导航

产品展示
首页->产品展示
  

FBC系列自动清灰式复膜布袋除尘器

一、概述
  FBC自动清灰式复膜布袋除尘器是对一种含粉尘气体进行微孔过滤的净化装置,适用于干湿细微粉尘(烟气)的净化 治理和物料回收。该装置是近年来LZZ系列扁布袋除尘器的基础上改进和提高的新一代自动清灰除尘器。其技术性能比传统的扁布袋除尘器有一个很大的突破,将过滤和操作性能提高到一个新境界---实现表面过滤。
  FBC系列自动清灰式复膜布袋除尘器采用了九十年代最新成果微孔薄膜复合滤料,该滤料是用微孔薄膜与滤布经特殊工艺复合而成。具有极佳的化学稳定、表面极其光滑、极低的摩擦系数,而且抗静电、耐高低温、持久耐用,同时就有多微孔、透气性和增水性。用“微孔薄膜复合滤料”做过滤材料是以微孔薄膜代替常规滤料所必须形成的一次粉尘层,使气尘中的粉尘全部收集在薄膜的表面,实现表面过滤,粉尘不会渗透到织物内部。滤料过滤效率高,使用寿命长,表面极其光滑,粉尘剥离性好,即使超细潮湿粉尘也不会粘贴,使过滤自始至终在低阻力运行,滤料过滤能耗少,无需加热烘干。完全避免了电控元器件失灵可能造成损失。微孔薄膜复合滤袋比普通滤料过滤效率提高1-2个数量级,可以实现近于零的排放。
二、主要特点和性能
  FBC自动清灰式复膜布袋除尘器的主要性能特点:
  设备体积较小、重量比较轻、能耗低、噪声低、而过滤面积大,故设备安装位置的选择性比较强。可以选择在任何位置加装在转运站内的扬尘位置,不占用建筑面积,不消耗水资源,在设备上直接收尘,直接排尘回用,不会产生二次污染。
  除尘设备的清灰工作,全部有PLC和自动传感器进行联控直接进行清灰拍打工作。始终保持滤布的过滤效果。
  粉尘综合治理设备全部全密封状态,保证了粉尘运行位置。使除尘器的效果最大化,除尘器于输送皮带机通过PLC程序进行控制连锁,吸尘拍尘全部自动控制完成。大量降低设备的维护和管理工作。
  FBC自动清灰式复膜布袋除尘器的主要性能是:
  “MP922防静电微孔复膜滤料”可在零下35℃之零上110℃的温度条件下耐老化。滤布不沾水、不沾灰、不结堵、耐高温、阻燃抗静电、透气性好、清灰剥离性强、使用寿命长、过滤效果佳。
三、设备结构及工作原理
  FBC系列自动清灰式复膜布袋除尘器由风机室、过滤室、对拍振打系统、吸排风口、防爆泄压检修门,可编程电器控制箱等部件组成。
  风机室:装配有普通(防爆)电机、铝合金风机叶轮、全封闭式电机、风机。风机蜗壳上布置消音孔,并填有消声材料。
  过滤室:装配有微孔复膜复合滤袋、不锈钢网框。为防止静电,不锈钢网框均由压挺装置稳妥接地。
  振打机系统;该系统使布袋分奇偶两组,在振打电机的驱动下使布袋产生拍打振动实现清灰,使灰尘直接落入输料系统。
  吸排风口:吸风口在除尘器底部位置,口径面积大。排风口在风机室旁,分左出风口(风机左旋),右出风口(风机右旋)。
  防爆泄压检修门:在过滤室一侧配有防爆泄压检修门。
  可编程电器控制箱:控制系统可手动控制和自动控制,采用可编程电器原件控制。可安装在除尘现场或集控室,在除尘器后安装有集中接线端子盒。
  以上系统设备均采用密封式装配,能够防尘防水。
  FBC系列自动清灰式复膜布袋除尘器采用国内先进技术。含尘气体由下部吸风口进入过滤室,弥播过滤室滤袋间空隙,粉尘被滤袋阻留,净化空气透过袋壁经风机室从排风口排出。由于过滤袋表面极其光滑,形成稍大积尘就会自动脱落,定时机械拍打装置使奇偶两组布袋之间产生异步的对拍振动,在拍打时布面时分时合,相合布面间产生了高压气体,分面离布面间产生了低压气体,各布面二侧的气压差构成了反吹的脉吹气流,使积尘更彻底剥离布面,达到过滤清灰的效果。
四、技术性能参数表
          型号
技术性能(单位)
FBC-25
FBC-40
FBC-50
FBC-80
FBC-100
立式
卧式
立式
卧式
立式
卧式
立式
立式
过滤面积(m2)
25
25
40
40
50
50
80
100
处理风量(m3/h)
4500
4500
6500
6500
8500
8500
13000
16000
过滤风速(m/min)
2.6-3.1
2.6-3.1
2.6-3.1
2.6-3.1
2.6-3.1
2.6-3.1
2.6-3.1
2.6-3.1
除尘效率(km)
≥99.6
≥99.6
≥99.6
≥99.6
≥99.6
≥99.6
≥99.6
≥99.6
风机电动机功率(kw)
5.5
5.5
7.5
7.5
11
11
7.5×2
11×2
拍打清灰电动机功率(kw)
0.37
0.37
0.37
0.37
0.37
0.37
0.37
0.37
噪音(dB)
<80
<80
<80
<80
<80
<80
<80
<80
本机重量(kg)
490
550
850
1050
1350
1660
1980
2400
本机外型尺寸
长、宽、高(mm)
1200×1210
×1650
1780×1210
×945
1430×1260
×1950
2250×1260
×1145
1700×1260
×2050
2480×1260
×1145
2460×1340
×1950
2400×1520
×1910
电气控制箱
外形尺寸
长、宽、高
(mm)
标 准
500×250
×750
500×250
×750
500×250
×750
500×250
×750
500×250
×750
500×250
×750
500×250
×750
500×250
×750
防 爆
600×280
×850
600×280
×850
600×280
×850
600×280
×850
600×280
×850
600×280
×850
600×280
×850
600×280
×850
  FBC系列自动清灰式复膜布袋除尘器可配编程专用电控箱,集除尘系统主风机和除尘器按时拍打清灰机构供电和控制于一体。电控箱采用380V或660V交流电源供电,控制电压为220V,信号灯电压为220V。电控箱内设有“自动”“手动”开关,还配置明火报警信号。
  顺序:输煤带启动,即风机启动→每15-30分风机停,拍打一次→输送带停,即风机延时→风机停→拍打→拍打停→在拍打→整机停。
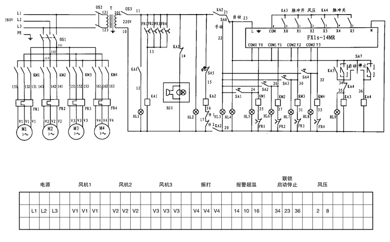
五、电器顺序示意图
六、型号命名
例:FBC-40卧式为FBC型40m2滤袋,右出风口,卧式除尘器。
七、施工安装
  1、 安装前认真检查除尘器及控制箱是否完好无损,风机叶轮转动是否平稳无杂音。
  2、 在搬用、起吊过程中注意人身和设备的安全,防止碰撞。
  3、 试运转前,应测试各电器设备的绝缘是否合格。
  4、 检查除尘器和电控箱的接地是否牢固,等全部合格后用手动开关分别操作各电器设备,并检查是否正常工作,注意风机旋转方式。
  5、 本公司可代为用户安装。
八、运行及维护保养
  1、 要保养控制箱的密封性能,不随便打开箱门。
  2、 拍打装置滑动部分应定期加注黄油,发现橡皮隔膜老化或破损应立即更换。
  3、 每隔1-2月必须对除尘器布袋用一米长竹竿和表面光滑的木棍进行一次清扫,去除塑料、报纸、布等杂物。
  4、 除尘器运行时若发现排风中含有大量的粉尘,则可能是布袋破损或布袋框同安装孔之间密封破坏,应及时进行维修或更换。
  5、 除尘器内不得有>102℃的物体进入过滤室内。
九、订货须知
  1、 本产品包用壹年,壹年内因质量而影响运行时负责免费维修。如不属于质量问题损坏时,将及时负责提供维修服务。本公司对产品提供终身维修服务。
  2、 为方便用户,本公司可组织专业人员,为用户提供设计、调试和技术咨询服务。根据用户需要也可在本产品的基础上可做部分调整设计:如吸风口可设计在过滤室侧面,除尘器下部加装一节电动锁气隔离风门装置,加装自动卸灰装置。还可增设卫生吸尘管接口,使除尘器兼作车间环境卫生吸尘之用,还可在出风口加装消音器等等。
  3、 本公司可为用户代理培训安装维修人员,并常年承接维修、保养、改造业务。
十、其他
  1、FBC系列自动清灰式复膜布袋除尘器立式规格图表。
  2、FBC系列自动清灰式复膜布袋除尘器卧式规格图表。
  3、FBC系列自动清灰式复膜布袋除尘器卧立式规格图表。
  4、FBC系列自动清灰式复膜布袋除尘器可编程电器原理图表。
  5、FBC系列自动清灰式复膜布袋除尘器可编程电器控制箱外形图表。
表一
H
H1
H2
A
B
C
A1
S1
N1
B1
FBC-25
1650
1220
1137
850
850
100
950
225
4
950
FBD-40
1950
1520
1366
1100
1100
120
1200
230
5
1200
FBC-50
2050
1530
1415
1350
1100
150
1450
233.33
6
1200
表二
S2
N2
b1
n1
Φ2
A2
S3
N3
B2
S4
N4
b2
n2
Φ2
FBC-25
225
4
25
16
13
380
174
2
217
186
1
20
6
9
FBC-40
230
5
25
20
13
380
174
2
380
174
2
20
8
9
FBC-50
230
5
25
22
13
580
180
3
350
155
2
20
10
9
表一
H
H1
H2
A
B
C
A1
S1
N1
B1
FBC-25
945
728
1700
850
850
100
950
230
5
950
FBD-40
1300
934
2120
1100
1100
720
1200
230
5
1200
FBC-50
1300
945
2380
1350
1100
130
1450
233.33
6
1200
表二
S2
N2
b1
n1
Φ2
A2
S3
N3
B2
S4
N4
b2
n2
Φ2
FBC-25
225
4
25
18
13
380
174
2
217
186
1
20
6
9
FBC-40
230
5
25
20
13
380
174
2
380
174
2
20
8
9
FBC-50
230
5
25
22
13
580
180
3
350
155
2
20
10
9

FBC- 25 卧立式系列复膜扁布袋除尘器规格图表

1.对拍振打清灰机 2.排风口 3.风机室 4.过滤室 5.防爆检修门 6.吸风口
7.底座框 8.报警装置 9.电器接线盒 10.自动传感检测清灰机装置
表一
H
H1
H2
A
B
C
A1
S1
N1
B1
FBC-80
1950
1520
1366
1100
2200
120
1200
230
5
2300
FBC-100
2050
1550
1415
1350
2700
150
1450
233.3
6
2800
表二
S2
N2
b1
n1
Φ2
A2
S3
N3
B2
S4
N4
b2
n2
Φ2
FBC-80
225
10
25
30
13
680
150
4
380
174
2
20
12
9
FBC-100
225
13
25
34
13
1080
205
5
350
103.3
2
20
14
9
FBC系列复膜扁布袋标准型除尘器电器控制箱外形图
FBC系列复膜扁布袋ExdⅡ防爆型除尘器电器控制箱外形图
FBC系列除尘器电器元件明细表
序号
代号
名称
型号
25
40
50
80
100
1
PLC
程控器
FX1S-10MR
FX1S-10MR
FX1S-10MR
FX1S-10MR
FX1S-10MR
2
OS1
主空气开关
C65N D10/3P
C65N D16/3P
C65N D25/3P
C65N D32/3P
C65N D50/3P
3
OS2
控制空气开关
C65N D1/2P
C65N D1/2P
C65N D1/2P
C65N D1/2P
C65N D1/2P
4
OS3
空气开关
C65N D1/1P
C65N D1/1P
C65N D1/1P
C65N D1/1P
C65N D1/1P
5
KM1
风机控制接触器
3TB42 220V
3TB43 220V
3TB44 220V
3TB46 220V
3TB47 220V
6
KM2
振打控制接触器
3TB40 220V
3TB40 220V
3TB40 220V
3TB40 220V
3TB40 220V
7
KA1
中间继电器
3TH82-44 220V
3TH82-44 220V
3TH82-44 220V
3TH82-44 220V
3TH82-44 220V
8
KA2
中间继电器
3TH82-44 220V
3TH82-44 220V
3TH82-44 220V
3TH82-44 220V
3TH82-44 220V
9
FR1
风机热继电器
3UA59 16A
3UA59 22A
3UA59 32A
3UA59 22A×2
3UA59 32A×2
10
FR2
振打热继电器
3UA59 1A
3UA59 1A
3UA59 1A
3UA59 1A×2
3UA59 1A×2
11
KT
时间继电器
(控制振打)
ST3PC-B/220V
ST3PC-B/220V
ST3PC-B/220V
ST3PC-B/220V
ST3PC-B/220V
12
SA1
手动/自动切换开关
C2SS2-10B-11
C2SS2-10B-11
C2SS2-10B-11
C2SS2-10B-11
C2SS2-10B-11
13
SA2
风机手动开关
C2SS3-10B-11
C2SS3-10B-11
C2SS3-10B-11
C2SS3-10B-11
C2SS3-10B-11
14
SA3
振打手动开关
C2SS3-10B-11
C2SS3-10B-11
C2SS3-10B-11
C2SS3-10B-11
C2SS3-10B-11
15
SA4
输送带手动开关
C2SS2-10B-11
C2SS2-10B-11
C2SS2-10B-11
C2SS2-10B-11
C2SS2-10B-11
16
SA5
急停按钮
Y090-11TS
Y090-11TS
Y090-11TS
Y090-11TS
Y090-11TS
17
HL1
电源指示灯
AD16-22-DS
AD16-22-DS
AD16-22-DS
AD16-22-DS
AD16-22-DS
18
HL2
报警指示灯
AD16-22-DS
AD16-22-DS
AD16-22-DS
AD16-22-DS
AD16-22-DS
19
HL3
风机运行指示灯
AD16-22-DS
AD16-22-DS
AD16-22-DS
AD16-22-DS
AD16-22-DS
20
HL4
振打运行指示灯
AD16-22-DS
AD16-22-DS
AD16-22-DS
AD16-22-DS
AD16-22-DS
21
HL5
手动指示灯
AD16-22-DS
AD16-22-DS
AD16-22-DS
AD16-22-DS
AD16-22-DS
22
HL6
自动运行指示灯
AD16-22-DS
AD16-22-DS
AD16-22-DS
AD16-22-DS
AD16-22-DS
23
HL7
输送带运行指示灯
AD16-22-DS
AD16-22-DS
AD16-22-DS
AD16-22-DS
AD16-22-DS
24
B
控制变压器
BKc-50 380V/220V
BKc-50 380V/220V
BKc-50 380V/220V
BKc-50 380V/220V
BKc-50 380V/220V
25
BJ
声光警示灯
LTE-1081J/220V
LTE-1081J/220V
LTE-1081J/220V
LTE-1081J/220V
LTE-1081J/220V
26
K
声响开关
E-TEN1321
E-TEN1321
E-TEN1321
E-TEN1321
E-TEN1321
启东市加美环保设备有限公司 地址:江苏省启东市汇龙镇永阳路口东100米(城北工业园)  邮编:226200
电话:0513-83318026 15851384848  传真:0513-83108026
网址:http://www.qdjmhb.com E-mail:qdjmsb@126.com